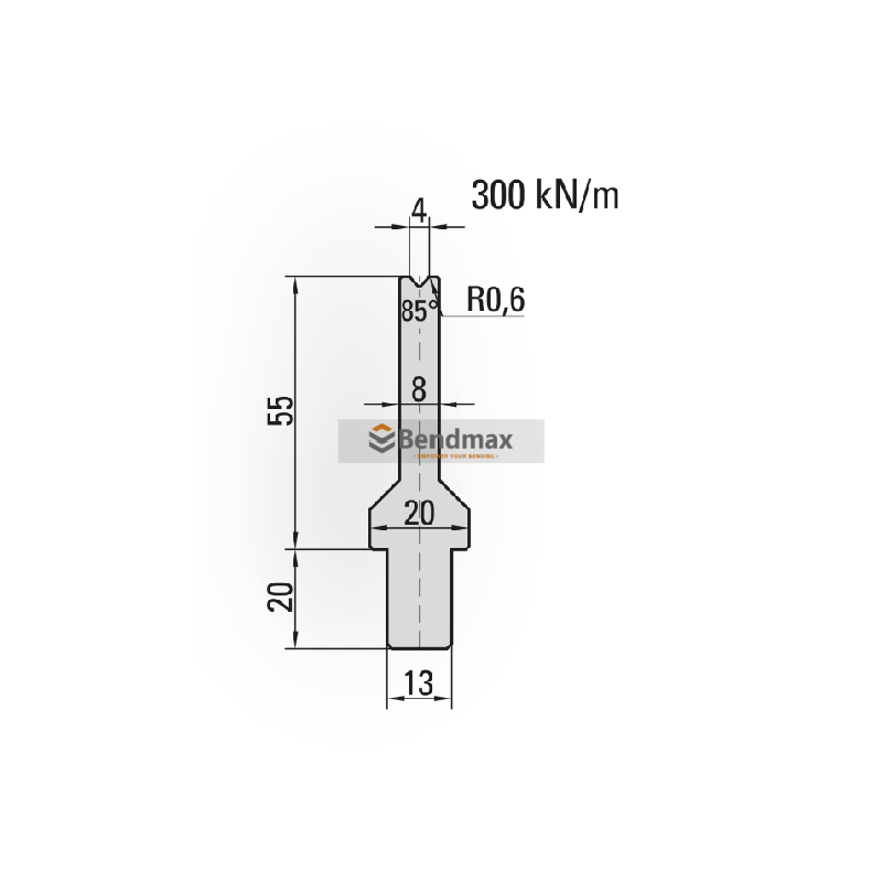
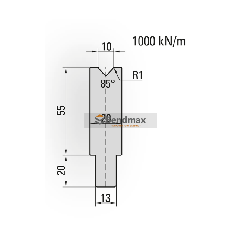
LVD-система 78°/R8/V120/H130 № 26275 Нижняя V-образная матрица листогибочного пресса для тяжелых листов
Предлагается полный ассортимент стандартной оснастки для листогибочных прессов усилием от 120 до 30000 кН. В наличии одинарные, многогнездные и регулируемые V-образные матрицы, вертикальная съемная оснастка, а также специальная оснастка для нестандартных задач. Компания Bendmax производит высококачественный прецизионный шлифованный инструмент из лучших материалов, обеспечивающих максимальную прочность и длительный срок службы. Он штамп для одностороннего V-образного тормоза типа LVD V-образная матрица, изготовленная из закаленной инструментальной стали 42CrMo, предназначена для формирования острых углов в прецизионных деталях из листового металла, используемых в корпусах электрооборудования, аппаратных компонентах и легких металлоконструкциях. При выборе этого типа V-образной матрицы убедитесь, что V-образное отверстие соответствует толщине материала и желаемому внутреннему радиусу, чтобы добиться точных результатов без чрезмерного напряжения матрицы. Для достижения наилучших результатов операторам следует поддерживать чистоту поверхности матрицы, обеспечивать правильное выравнивание матрицы и избегать превышения предельных нагрузок листогибочного пресса, чтобы предотвратить преждевременный износ или несоответствие углов.
Read More